BLOG


Tips y artículos de interés...

...
#Tips para instalaciones eléctricas y centros de datos:
2020-06-25 13:45:20
Autor: ARO Sistemas

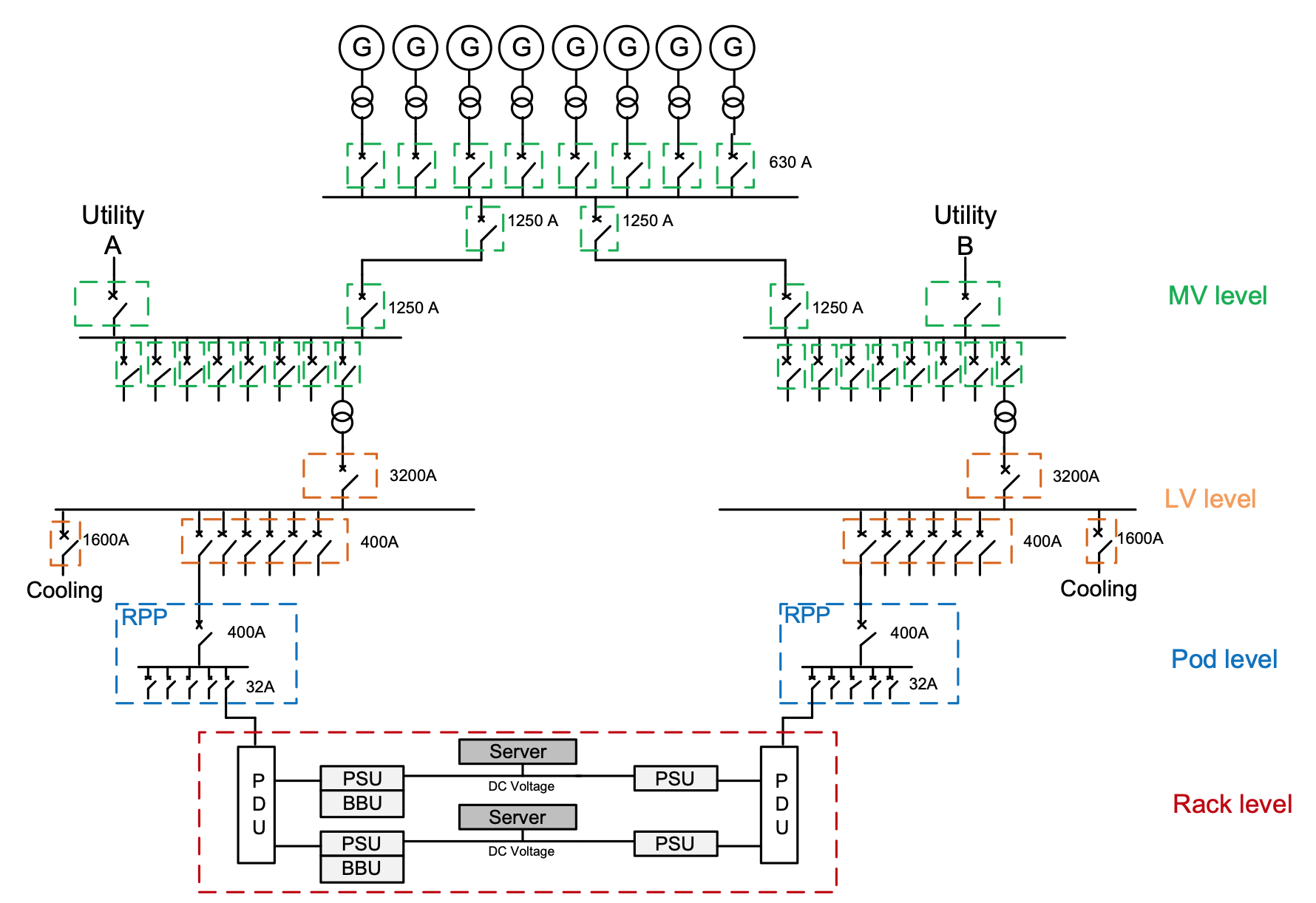
La tecnología de iones de litio puede proporcionar la misma cantidad de energía con una tercera parte del espacio y el peso. Esto es lo que permite ...

Ver más
...
#Tips para instalaciones eléctricas y centros de datos:
2020-06-24 14:06:12
Autor: ARO Sistemas

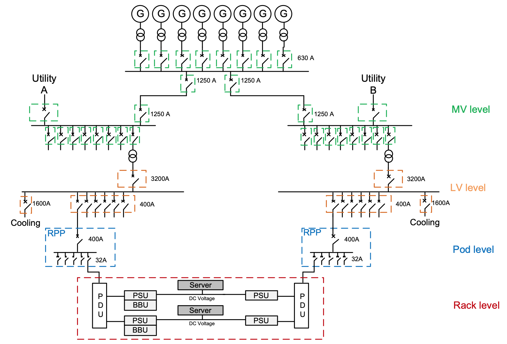
Conocer los compromisos de costes es una variable crucial para tomar una decisión fundamentada sobre la arquitectura aguas arriba más adecuada para ...

Ver más
...
#Tips para instalaciones eléctricas y centros de datos:
2020-06-23 13:41:56
Autor: ARO Sistemas

Los managers de Data Centers suelen adoptar políticas de renovación para sus equipos IT. Conforme los servidores llegan al fin de su vida útil, pue ...

Ver más
...
#Tips para instalaciones eléctricas y centros de datos:
2020-06-22 13:37:07
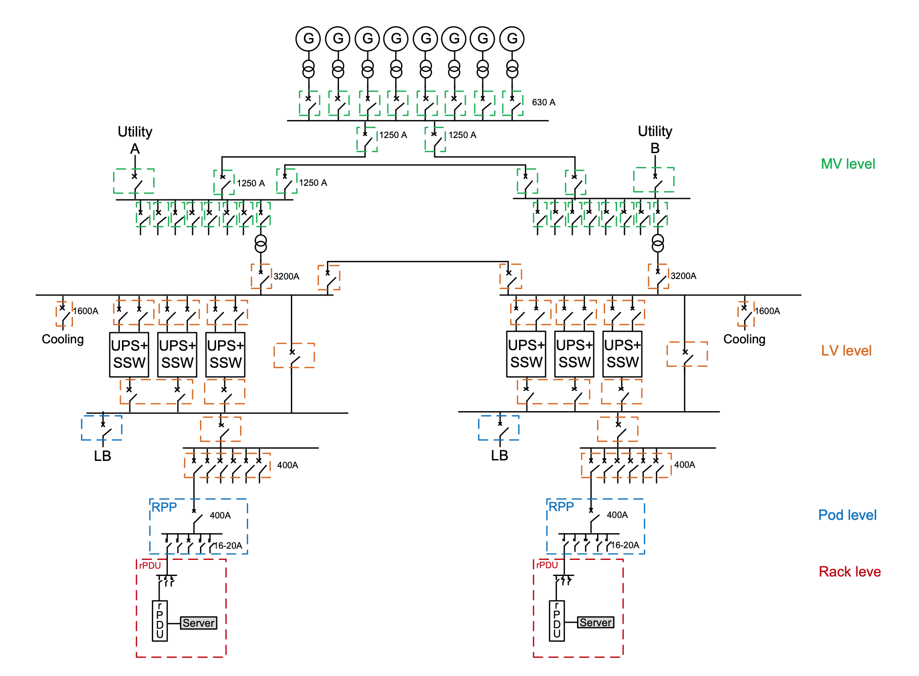
Autor: ARO Sistemas

La arquitectura eléctrica 2N permite que las actividades de mantenimiento o las averías en los componentes tengan lugar aguas arriba, sin interrupci ...

Ver más
...
#Tips para instalaciones eléctricas y centros de datos:
2020-06-21 16:33:04
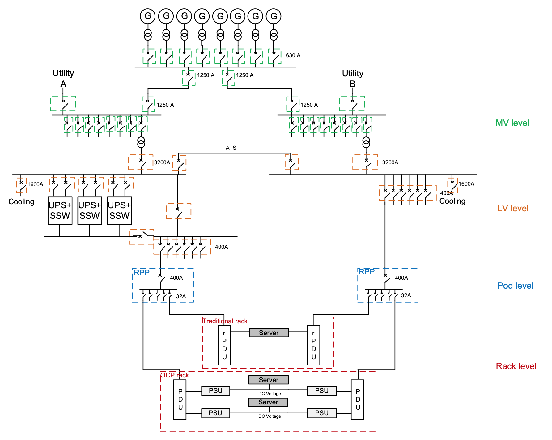
Autor: ARO Sistemas

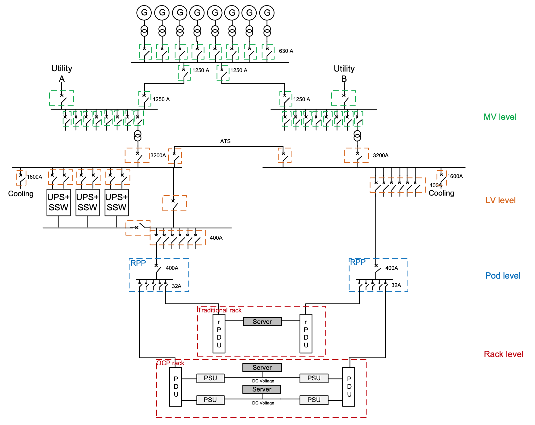
La transición de un entorno con cargas de IT tradicionales a otro con cargas 100% Open Compute repercute en la arquitectura aguas arriba. Debido a qu ...

Ver más
...
#Tips para instalaciones eléctricas y centros de datos:
2020-06-20 13:42:07
Autor: ARO Sistemas

Un diseño común con dos acometidas eléctricas, un generador/bus compartido, UPS (Sistema de Alimentación Ininterrumpible por sus siglas en inglés ...

Ver más